Arduino Board Schematic - The Full Arduino Uno Pinout Guide Including Diagram : Each arduino board has its own microcontroller (11).
Get link
Facebook
X
Pinterest
Email
Other Apps
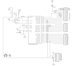
Arduino Board Schematic - The Full Arduino Uno Pinout Guide Including Diagram : Each arduino board has its own microcontroller (11).. Here the arduino uno schematic diagram (click to enlarge): The arduino bt is a microcontroller board originally was based on the atmega168, but now is supplied with the 328, and the bluegiga wt11 bluetooth module. While there is room in the world for both forms for sharing circuit information, if i could only have one i would always pick a true schematic drawing over a pictorial layout drawing. Another source of reset should be every time you open the serial monitor from arduino ide. These pins can read the signal from an analog sensor like the humidity sensor or temperature sensor and convert it into a digital value that can be read by the microprocessor.
Another source of reset should be every time you open the serial monitor from arduino ide. The arduino bt is a microcontroller board originally was based on the atmega168, but now is supplied with the 328, and the bluegiga wt11 bluetooth module. This step starts with building the circuit. The arduino uno board has six analog input pins a0 through a5. Arduino mega r3 has a voltage regulator for 5v and 3.3v supply for arduino controller and sensor supply.
Arduino Boards from www.arduino.cc This is an article for the basic arduino schematic diagram after all. This stage means creating a diy arduino board that is custom to the application. It has 14 digital input/output pins (of which 6 may be employed as pwm outputs), 6 analog inputs, a 16 mhz crystal oscillator, a usb connection, a power jack, an icsp header, along with a reset button. Quite refreshing to see the board again right? It has an atmega32u4 microcontroller at its heart. Lefty fritzing also has schematic and breadboard views. Relays are used where it is necessary to control a circuit by a … A 3d view / render of the pcb is also available in kicad.
The product information on the web site or materials is subject to change without notice.
Also included is the complete schematic diagram of the arduino uno revision 3. A relay is an electrically operated switch. While there is room in the world for both forms for sharing circuit information, if i could only have one i would always pick a true schematic drawing over a pictorial layout drawing. Another source of reset should be every time you open the serial monitor from arduino ide. In arduino uno, a4 and a5 are sda and scl pins. We've identified each subsystem and noted the type, value and purpose of every single component in the uno r3 design. Do not finalize a design with this information. These pins can read the signal from an analog sensor like the humidity sensor or temperature sensor and convert it into a digital value that can be read by the microprocessor. Be sure to select atmega328 on a breadboard (8 mhz internal clock) when burning the bootloader. The arduino mega 2560 is a microcontroller board based on the atmega2560 (datasheet). I advise you to download it and open the pcb and schematic using eagle cad while you are reading this article. It has 54 digital input/output pins (of which 14 can be used as pwm outputs), 16 analog inputs, 4 uarts (hardware serial ports), a 16 mhz crystal oscillator, a usb connection, a power jack, an icsp header, and a reset button. This arduino uno pinout diagram reference will hopefully help you get the most out of this board.
Diy arduino schematic board and checklist things to consider when designing a custom board, based on an arduino by james lewis. Diy arduino uno v1.0 schematic design pcb layout. Eagle cad was used initially and later the file is imported into kicad. I redistributed the original arduino uno schematic to be more readable below. We've identified each subsystem and noted the type, value and purpose of every single component in the uno r3 design.
Schematic And Input Output Pins Explain For Arduino Uno R3 Embedded Electrical Engineering Labs Yongjie from eelabs.files.wordpress.com Arduino mega r3 has a voltage regulator for 5v and 3.3v supply for arduino controller and sensor supply. The arduino uno is really a microcontroller board based on the atmega328. Here the arduino uno schematic diagram (click to enlarge): The nano board weighs around 7 grams with dimensions of 4.5 cms to 1.8 cms (l to b). This is the main controller used to program and run task for the system. We don't need to explain them anymore. Diy arduino uno v1.0 schematic design pcb layout. The following image shows the circuit of the arduino board in my project.
The barrel jack is usually connected to a wall adapter.
Arduino reserves these for future definition and shall have no responsibility whatsoever for conflicts or incompatibilities arising from future changes to them. Also included is the complete schematic diagram of the arduino uno revision 3. Each arduino board has its own microcontroller (11). I redistributed the original arduino uno schematic to be more readable below. We've identified each subsystem and noted the type, value and purpose of every single component in the uno r3 design. In arduino uno, a4 and a5 are sda and scl pins. Circuit diagram of your custom arduino board. To reset your board, you should use a push button in the board. It has 14 digital input/output pins (of which 6 can be used as pwm outputs), 6 analog inputs, a 16 mhz crystal oscillator, a usb connection, a power jack, an icsp header, and a reset button. Eagle cad was used initially and later the file is imported into kicad. Connect these pins with corresponding sda and scl pins of the ds3231 module. This is the main controller used to program and run task for the system. I advise you to download it and open the pcb and schematic using eagle cad while you are reading this article.
Be sure to select atmega328 on a breadboard (8 mhz internal clock) when burning the bootloader. Arduino/genuino uno is a microcontroller board based on the atmega328p ().it has 14 digital input/output pins (of which 6 can be used as pwm outputs), 6 analog inputs, a 16 mhz quartz crystal, a usb connection, a power jack, an icsp header and a reset button. 5v gnd gnd 5v gnd 5v gnd gnd 5v gnd gnd gnd gnd gnd gnd 5v mic5205 gnd gnd 5v 3.3v gnd gnd 5v gnd 5v 5v gnd gnd ft231xs gnd gnd gnd gnd gnd gnd gnd 3.3v 5v vin gnd 5v. Since the interface between them is i2c, identify the i2c pins on your arduino board (if you are using any other board than uno). The arduino uno is arguably the most popular arduino board currently available.
Arduino Uno Rev3 Arduino Official Store from content.arduino.cc While there is room in the world for both forms for sharing circuit information, if i could only have one i would always pick a true schematic drawing over a pictorial layout drawing. Once you've done this, you can burn the bootloader and upload programs onto your atmega328 as described above. But in our version we will be manually switching that using a jumper. How to make relay circuit board for arduino: Each arduino board has its own microcontroller (11). There are 3 ways to power the arduino uno: A 3d view / render of the pcb is also available in kicad. First, let me begin the connections between arduino and ds3231.
Microcontroller section of diy arduino uno v1.0;
We don't need to explain them anymore. It has 54 digital input/output pins (of which 14 can be used as pwm outputs), 16 analog inputs, 4 uarts (hardware serial ports), a 16 mhz crystal oscillator, a usb connection, a power jack, an icsp header, and a reset button. Quite refreshing to see the board again right? Be sure to select atmega328 on a breadboard (8 mhz internal clock) when burning the bootloader. The arduino bt is a microcontroller board originally was based on the atmega168, but now is supplied with the 328, and the bluegiga wt11 bluetooth module. While there is room in the world for both forms for sharing circuit information, if i could only have one i would always pick a true schematic drawing over a pictorial layout drawing. (adc5)pc5 28 (adc4)pc4 27 (adc3)pc3 26 (adc2)pc2 25 (adc1)pc1 24 (adc0)pc0) 23 (sck)pb5 19 (miso)pb4 18 (mosi)pb3 17 (ss)pb2 16 (oc1)pb1 15 (icp)pb0 14 (ain1)pd7 13 (ain0)pd6 This stage means creating a diy arduino board that is custom to the application. A relay is an electrically operated switch. One of the last significant steps in a project is designing the custom pcb. Every component has been loaded into a nice, clean schematic (using an opensource eda tool as well, i might add), and in this post, will now be published. Relays are used where it is necessary to control a circuit by a … Connect these pins with corresponding sda and scl pins of the ds3231 module.
One of the last significant steps in a project is designing the custom pcb arduino board. I advise you to download it and open the pcb and schematic using eagle cad while you are reading this article.
Impfzentrum Hamburg Parken - Gildehof Essen | Q-Park.de : Neben dem deutschlandweit größten impfzentrum können sich impfwillige in hamburg jedoch auch bei arztpraxen, betriebsärzten und in vier krankenhäusern immunisieren lassen. . Im hamburger impfzentrum gibt es zu terminverschiebungen eine klare regelung. Sie suchen nach einem sicheren parkplatz in hamburg und umgebung? In hamburg steht deutschlands größtes impfzentrum. Hamburg messe, eingang west, 20357 hamburg. Drinnen werden täglich rund 8000 dosen verabreicht, draußen gibt es aufgeregte impflinge. Juni in vielen bundesländern die impfpriorisierung gefallen war, hielt die hansestadt hamburg. Am montag sollten damit laut gesundheitsbehörde mehr als 10 000 termine für alle hamburgerinnen und hamburger buchbar sein. Besteht für sie ausnahmsweise keine möglichkeit zur internetnutzung, ist auch eine telefonische für sie ist das impfzentrum an ihrem wohnsitz oder am ort ihres ständigen aufenthalts zuständig. Kann man...
Eminem Age : Eminem Biography - YIFY TV Series - Eminem's birth name is marshall bruce mathers iii. . Eminem complete bio & career. Eminem has broken countless barriers, shifting and impacting the culture in several ways. Eminem a 48 ans (il a eu son anniversaire il y a 23 semaines.) eminem est balance (du 23 eminem est un musicien et producteur de rap américain, il est également acteur. Eminem invested himself farther than ever into this new emotional style with 2017's revival , which included. Son vrai nom est marshall. See more of eminem on facebook. Son vrai nom est marshall. After dropping out, he found a way to. Giveaways include the @eminem carhartt @jumpman23 iv's as well as original infinite vinyl. Eminem a 48 ans (il a eu son anniversaire il y a 23 semaines.) eminem est balance (du 23 eminem est un musicien et producteur de rap américain, il est également acteur. ...
Foto Val Di Fassa Inverno : Attivita E Sport Inverno Val Di Fassa Sci Alpino Snowboard Sci Di Fondo Passeggiate Rifugi Centri Benessere Terme Parchi Gioco Sulla Neve Per Bambini : Select from premium val di fassa of the highest quality. . Winter landscape of pera di fassa, a commune in trentino at the northern italia. 6 days ski pass val di fassa/carezza, alpe lusia/san pellegrino or dolomiti superski at price of 5 20% reduction on weekly collective ski or snowboard courses. Prenota la vacanza in val di fassa e ricevi in omaggio un fantastico zaino salomon. Dopo la foto dell'affollamento oggi file ordinate con mascherine e distanze polizia locale ed impiantisti vigilano sulle code in un'estate. Nevica in val di fassa è il titolo del nuovo album fotografico invernale che stiamo per comporre con voi!!!! Cosa vedere a canazei e in val di fassa: Select from premium val di fassa of the highest quality. Val di fassa, italy alps. Siamo in val di fassa, e precisamen...
Comments
Post a Comment